
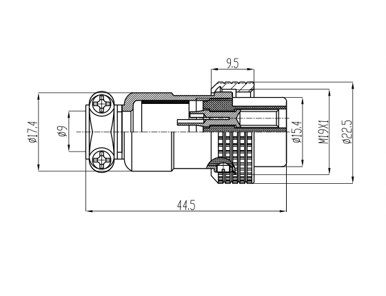
接插方式  | 螺纹连接  | 接线方式  | 焊接  | 
外壳材料  | 锌基合金(镀镍)  | 接插次数  | 500 次  | 
绝缘体  | 电木  | 温度范围  | -20℃ ~ +85℃  | 
接触体材料  | 铜(镀银 / 金)  | 电缆直径  | ≤ φ9.0mm  | 
安装方式

芯 数  | 2  | 3  | 4  | 5  | 6  | 7  | 8  | 9  | 10  | 10M  | 11  | 12  | 14  | 15  | 
额定电流 / 电压  | 10A-250V  | 7A-250V  | 7A-250V  | 7A-150V  | 5A-150V  | 5A-150V  | 5A-150V  | 5A-150V  | 5A-150V  | 5A-150V  | 5A-150V  | 5A-150V  | 5A-150V  | 5A-150V  | 
工作电压(AC.V)分钟  | 250  | 250  | 250  | 200  | 200  | 200  | 200  | 200  | 200  | 200  | 200  | 200  | 200  | 200  | 
耐电压(AC.V)分钟  | 1500  | 1500  | 1500  | 1000  | 1000  | 1000  | 1000  | 1000  | 1000  | 1000  | 1000  | 1000  | 1000  | 1000  | 
绝缘阻抗(MΩ)DC500V  | 1500  | 1500  | 1500  | 1000  | 1000  | 1000  | 1000  | 1000  | 1000  | 1000  | 1000  | 1000  | 1000  | 1000  | 
接触阻抗(MΩ)DC1A  | 3  | 3  | 3  | 3  | 3  | 3  | 3  | 3  | 3  | 1 3  | 3  | 3  | 3  | 3  | 
焊杯口孔径 φ(mm)  | 2  | 2  | 2  | 1.2  | 0.8  | 0.8  | 0.8  | 0.8  | 0.8  | 0.8 1.2  | 0.8  | 0.8  | 0.8  | 0.8  | 
接触体孔径 φ(mm)  | 2.95  | 2.95  | 2.95  | 2.95  | 2  | 2  | 1.5  | 1.5  | 1.5  | 1.5 2  | 1.5  | 1.5  | 1.5  | 1.5  | 
19M 18芯隆重上线,欢迎大家选购19M 18芯插头插座。
 
19M  18芯隆重上线,欢迎大家选购19M 18芯插头插座