
接插方式  | 螺纹连接  | 接线方式  | 焊接  | 
外壳材料  | 锌基合金(镀铬)  | 接插次数  | 500 次  | 
绝缘体  | 电木  | 温度范围  | -20℃ ~ +85℃  | 
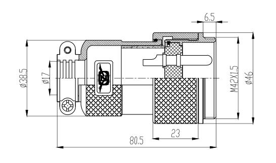
接触体材料  | 铜(镀银 / 金)  | 电缆直径  | ≤ φ17mm  | 
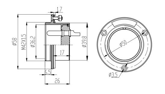
安装方式

芯 数  | 2M  | 3M  | 4M  | 2  | 3  | 4  | 5  | 6  | 7  | 8  | 10  | 10M  | 12  | 16  | 20  | 
额定电流 / 电压  | 30A-400V  | 30A-400V  | 30A-400V  | 30A-400V  | 30A-400V  | 30A-400V  | 25A-250V  | 25A-250V  | 25A-250V  | 20A-150V  | 10A-150V  | 10A-150V  | 7A-150V  | 7A-150V  | 7A-150V  | 
工作电压(AC.V)分钟  | 600  | 600  | 600  | 500  | 500  | 500  | 400  | 400  | 400  | 300  | 200  | 200  | 200  | 200  | 200  | 
耐电压(AC.V)分钟  | 2000  | 2000  | 2000  | 2000  | 2000  | 2000  | 2000  | 2000  | 2000  | 2000  | 2000  | 2000  | 2000  | 2000  | 2000  | 
绝缘阻抗(MΩ)DC500V  | 2000  | 2000  | 2000  | 2000  | 2000  | 2000  | 2000  | 2000  | 2000  | 2000  | 2000  | 2000  | 2000  | 2000  | 2000  | 
接触阻抗(MΩ)DC1A  | 1  | 1  | 1  | 1  | 1  | 1  | 1  | 1  | 1  | 1  | 1  | 3  | 3  | 3  | 3  | 
焊杯口孔径 φ(mm)  | 4.5  | 4.5  | 4.5  | 4  | 4  | 4  | 3.5  | 3.5  | 3.5  | 3.5  | 2.4   | 1.6  | 1.6  | 2.4  | 1.6  | 
接触体孔径 φ(mm)  | 6  | 6  | 6  | 5  | 5  | 5  | 4.5  | 4.5  | 4.5  | 4.5  | φ3×3  | 2  | 2  | φ3×3  | 2  |